钟祥太阳成集团tyc122cc入口机电制造股份有限公司前身是钟祥电机厂,1968年筹建工厂,原机电部确认为定点生产中小型电机的专业厂家。主要生产各类振动电机、振动机械、输送机械。是中国电器工业协会中小型电机分会理事单位、中国重型机械工业协会洗选设备专业委员会理事单位,是中国大型的振动电机生产厂家。
VB系列振动电机是我公司于1984年开始引进日本技术,与日本中岛技术工程公司、华中科技大学合作共同研究、开发的通用性振动电机。 VB系列振动电机作为各类振动机械的激振源,如振动给料机、振动输送机、振动放矿机、振动落砂机、振动筛分机、料仓的振动防闭塞装置等,广泛应用于电力、建材、煤炭、矿山、冶金、化工、轻工、铸造等行业。
VB系列振动电机行销国内二十多个省、市、自治区,远销欧洲、非洲、日本及东南亚,曾先后荣获国家星火计划成果适用展览会银奖、省优质产品奖、省科技进步奖、省优秀新产品“金鹤奖”、省节能产品奖,是“湖北省名牌产品”。
特点:
1.激振力与出力配合适当,机体质量轻、体积小。
2.因利用平稳的回转产生振动,噪声低。
3.全封闭结构,可在无防爆要求的粉尘条件下工作。
4.使用寿命长,轴承寿命2极达5000小时,4、6、8极达10000小时。
5.只需调节偏心块夹角,就可以无级调整激振力大小,满足各种工况需求。
6.可多机组合成各种振动形式,以满足各种作业要求。
7.机种丰富,规格齐全,能满足各类振动机械的工作需要。
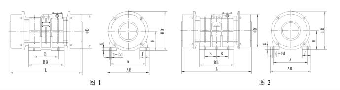
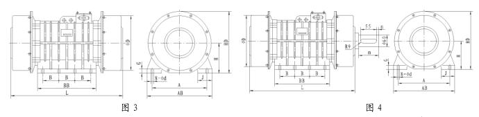
VB系列振动电机,功率0.12~25KW,2、4、6、8极,激振力为2.5~300KN,共计56个规格。